网站首页
公司简介
产品中心
新闻中心
专利商标
应用范例
联系我们
产品导航
/ PRODUCTS
齿轮泵
双向复合齿轮泵
支撑阀
升降阀
高压齿轮泵
双联齿轮泵
HGP齿轮泵
单级齿轮泵
阀 块
捆草机
其他产品
产品中心
/ PRODUCT CENTER
CB-E200/200系列双联齿轮泵
加入时间:2013-10-23 15:54:28 点击:27039
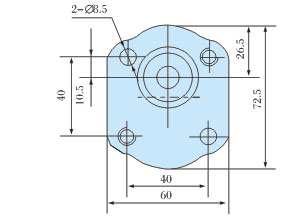
一、外形图
二、轴伸形式
三、主要性能参数
淮安智润液压机械有限公司
淮安梅畅食品有限公司
网站首页
公司简介
产品中心
新闻中心
专利商标
应用范例
联系我们
网站网址:www.nanfangyeya.net (
复制链接
) 淮安市南方液压机械有限公司-
CBK齿轮泵
,
动力单元齿轮泵
,
双联齿轮泵
,
支撑阀
,
双向复合齿轮泵
,
HGP齿轮泵
网站备案号:苏ICP备16038137号-2
本网站部分图片来源于网络,如有侵权,请告知删除