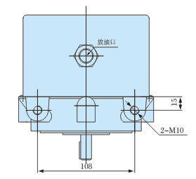
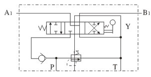
KCJ-E是我公司研制出的创新产品。它通过手动换向来控制油罐动作,或者采用叠加是磁阀来实行电动控制,具有体积小,压力大,安装方便等特点,该产品主要用于打捆机,运输等小型液压系统中。 一、型号说明 二、机能符号 三、外形图
四、主要性能参数