

一、用途与特征
1.高效率:经细致的构造设计,此系列齿轮泵存在高容积率与高机械效率。
2.使用寿命长:性能优良的高抗磨性轴承于高压、高速的场合运转不致烧毁。
3.重量轻、结构紧密精致。
4.本体采用铝合金、高精密造型设计,噪音低。
5.适合范围广,用于土木建设机械、产业车辆、搬运机械、农林渔机机械等装置。
二、型号说明

①系列号:HGP-1A HGP-2A HGP-3A 定量齿轮泵
②安装形式:F:法兰型 L:脚座型
③排量:1~30参考性能参数表
④旋转方向(从轴端看):R或省略:顺时针方向 L逆时针
⑤收轴形式:X或省略 标准轴平键
⑥法兰型式:2B或省略:两孔安装式(标准型)4BJ或省略:四孔安装式(标准型)2B或省略:两孔安装式(标准型)
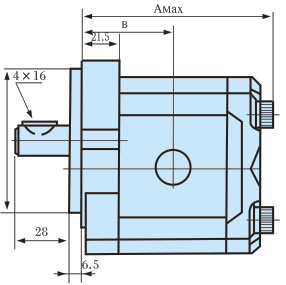
三、外形图
四、主要性能参数
 |