

CB-F型单级齿轮泵径向密封采用齿顶扫膛,轴向密封采用浮动压力平衡侧板。该泵具有体积小、效率高、性能好、工作可靠等特点。该泵广泛应用于工作条件恶劣的工作机械、矿山机械、起重运输机械、建筑机械、石油机械以及其它压力加工设备中。
CB-F型单级齿轮泵与动力的联接形式有两孔联接和四孔联接两种,另外进出油口可选择侧面和端面两种形式。
一、型号说明

①齿轮泵
②系列号:压力级A、C
③主参数:公称排量(ml/r)
④轴伸形式:1、平键 2、渐开线花键 3、矩形花键
⑤安装尺寸:法兰安装(两孔法兰)
⑥止口尺寸:Φ85f8 Φ90f8 Φ100f8
⑦连接方式:L:螺纹连接 F:法兰连接
⑧旋向:右旋(不标注)左旋X
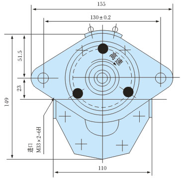
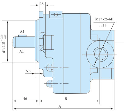
二、外形图
三、主要性能参数
 |